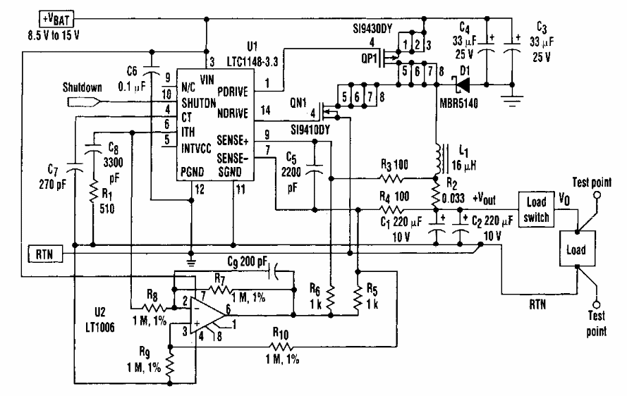
This switching power supply was found in an Electronic Design from the 90s. The components are from the period.
This circuit can modulate a laser rate at frequencies of 50 kHz. We found the old documentation. The bipolar...
This circuit was found in the May 1984 issue of Radio Electronics magazine. It analyzes the...
This circuit can be used as a signal when powered by a car battery, as it also works with 12 V, or...