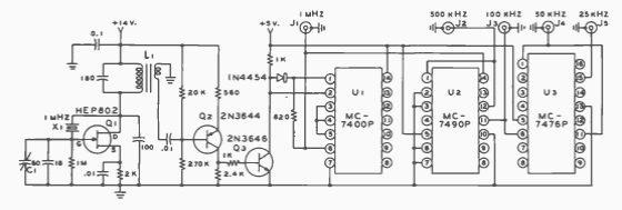
We found this circuit in a 1977 radio documentation. The circuit uses TTL frequency dividers from the time.
We found this two stage transistor amplifier circuit using RC coupling in a magazine published in...
With this circuit it is possible to receive VHF stations up to 100 MHz on a common FM receiver tuned...
This passive tuned circuit was found in a 90s Popular Electronics. The coils must be according to the...