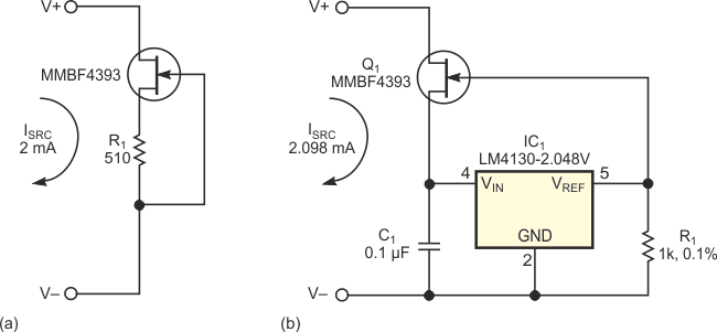
Based on National Semiconductor's LM4130 reference circuit, this circuit was found in Internet documentation. The circuit has an output impedance of 1 Mohm.
This sound effect circuit was obtained from an article in the April 1969 issue of Radio...
Found in a 1990 Electronics Handbook, this circuit causes an LED to flash when the phototransistor receives...
Found in the May 1997 issue of Electronics Now, this circuit produces a variety of sound effects for...