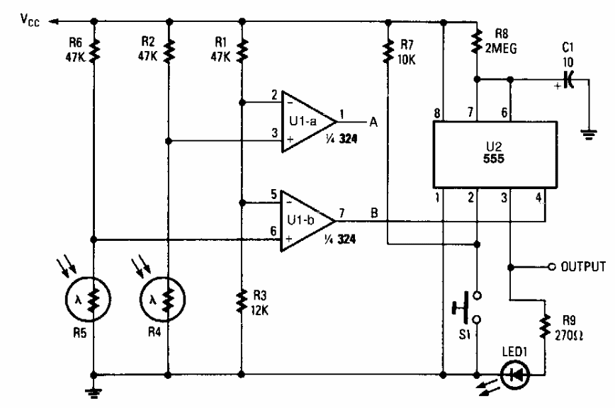
We found this circuit in an old Popular Electronics. The circuit is experimental, driving an LED from signals applied to the LDRs. The power supply does not have to be symmetrical.
The frequency of this CMOS oscillator depends on the capacitor C and the 4051 output that goes to the...
This simple circuit, from a 2006 documentation, activates a 12 V lamp in the event of a power...
This circuit is from an English publication from 1965. The transistors used are rare, however, they...