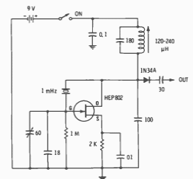
This circuit generates a 1 MHz signal for general equipment calibration. The circuit is from an American documentation from 1977.

This circuit generates a 1 MHz signal for general equipment calibration. The circuit is from an American documentation from 1977.
