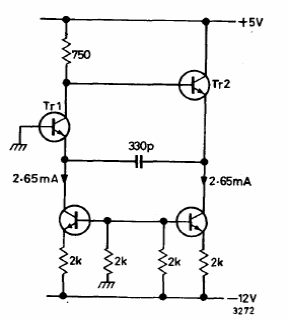
This different astable configuration was found in one in a 1974 Ferranti transistor manual. Transistors are general-purpose types at the time.

This different astable configuration was found in one in a 1974 Ferranti transistor manual. Transistors are general-purpose types at the time.
