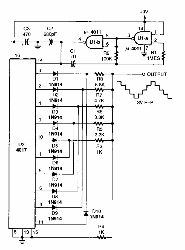
Using a 4017 as a base, this circuit from a 1990s Popular Electronics generates low-frequency ladder-like signals. The frequency is given by 4011.

Using a 4017 as a base, this circuit from a 1990s Popular Electronics generates low-frequency ladder-like signals. The frequency is given by 4011.
