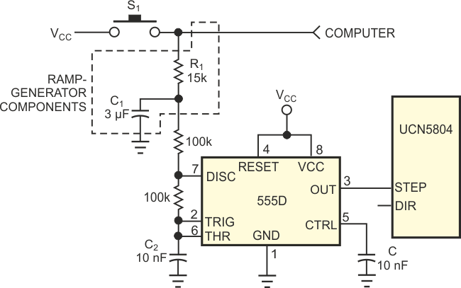
Based on the 555, this circuit was obtained from Internet documentation, serving to generate a ramp signal for a UCN5804 stepper motor drive. The circuit has the steps determined by the time resistors and R1/C1 generate the ramp.
Based on the 555, this circuit was obtained from Internet documentation, serving to generate a ramp signal for a UCN5804 stepper motor drive. The circuit has the steps determined by the time resistors and R1/C1 generate the ramp.