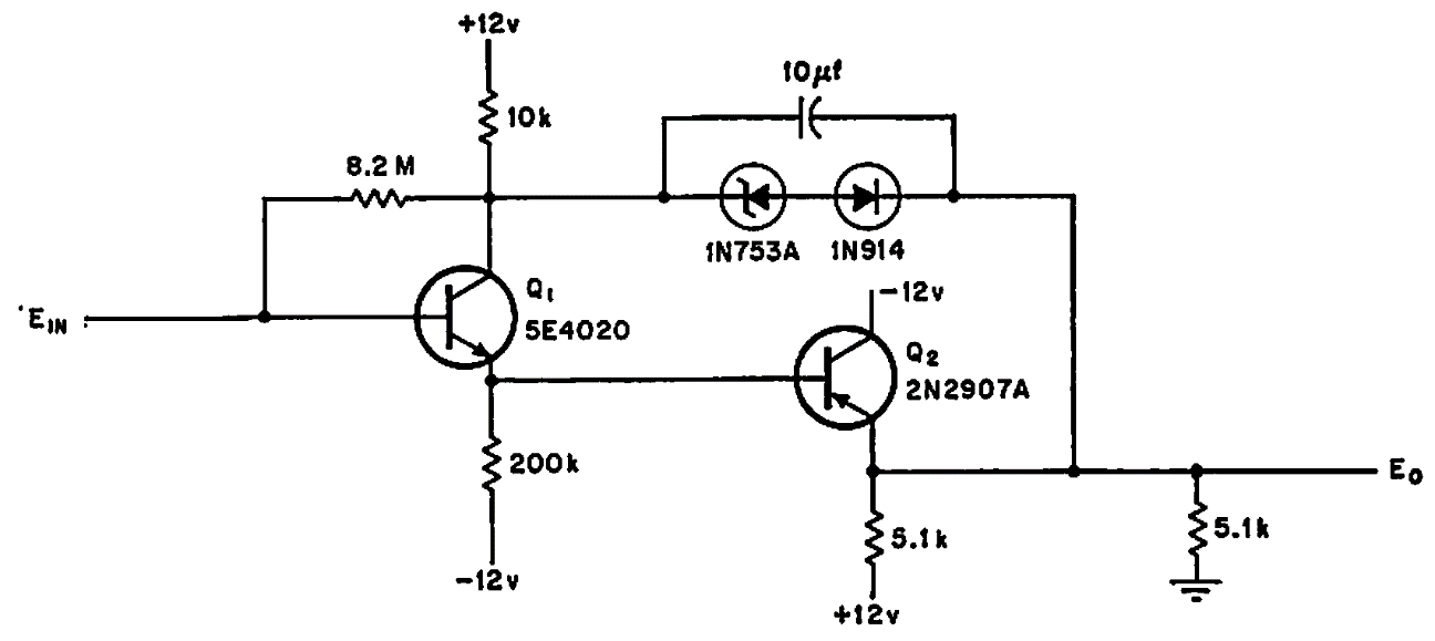
The purpose of this circuit is to extend the range of applications from a Darlington pair to DC. The circuit is from an American documentation from 1970.
Although this version of electric fence is quite sophisticated due to the number of components it uses and...
Using the M1575 this switching converter was found in National Semiconductor documentation from...
This circuit was obtained from a 1985 Electronic Desing. The circuit uses a Darlington which may be...