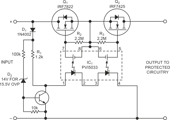
This protective circuit uses Shottky diodes on an International Rectifier PVI5033 and IRF7822 integrated circuit. The circuit has a resistance of just 0.013 ohm with a 10 A load.
Although this version of electric fence is quite sophisticated due to the number of components it uses and...
Using the M1575 this switching converter was found in National Semiconductor documentation from...
This circuit was obtained from a 1985 Electronic Desing. The circuit uses a Darlington which may be...