This circuit was found in old American documentation. It is a Wien bridge with the component values calculated by the formulas next to the diagram.
The circuit shown in the figure is triggered by an input voltage determined by the setting of P1....
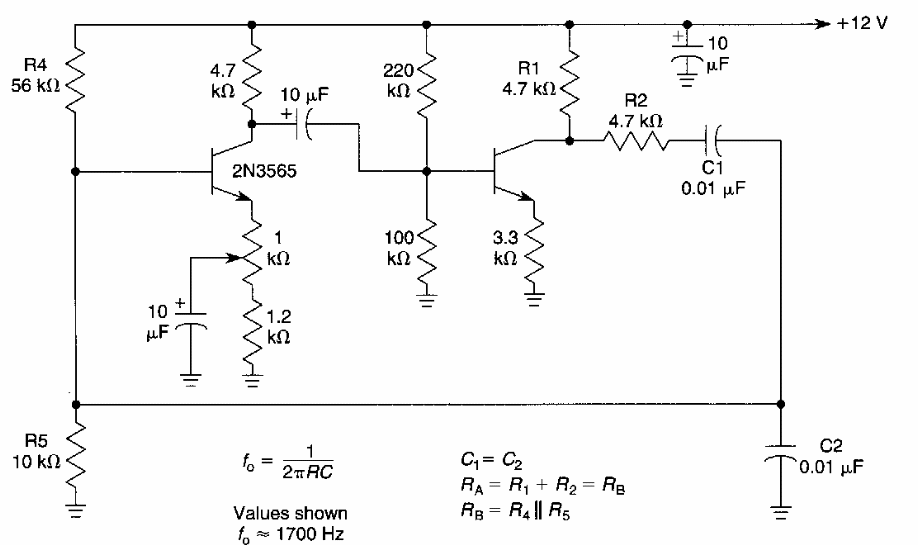
This circuit was found in Motorola documentation from 1969. The transistors are from that time. The...
This VCA was found in the July 1988 issue of Radio Electronics magazine. It uses an OTA op amp and...