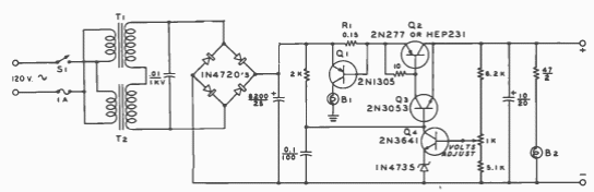
This 12 V source provides 12A of maximum current and is suitable for powering mobile equipment. The circuit is from an American publication from 1977.

This 12 V source provides 12A of maximum current and is suitable for powering mobile equipment. The circuit is from an American publication from 1977.
