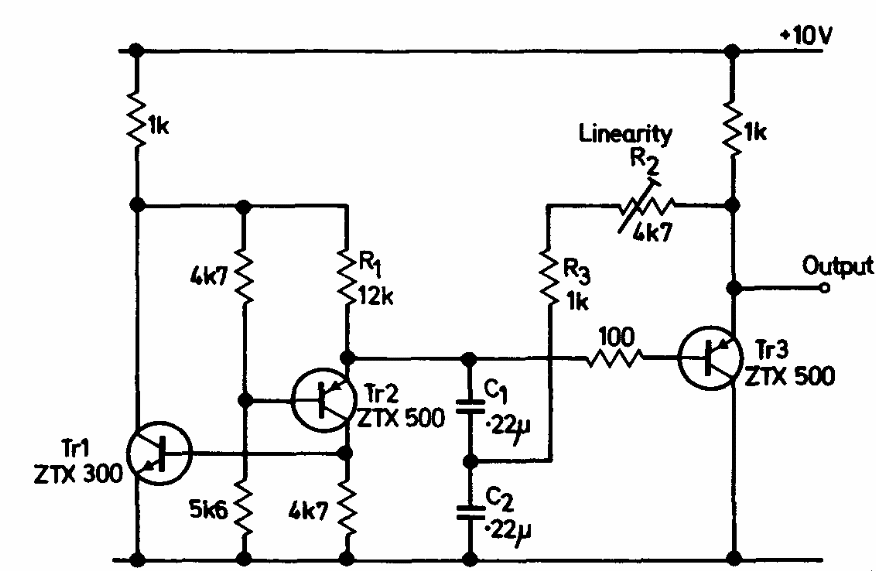
This circuit has a correction or linearity adjustment. We found it in Ferranti's transistor manual from 1974. Transistors are general-purpose types at the time.
Although this version of electric fence is quite sophisticated due to the number of components it uses and...
Using the M1575 this switching converter was found in National Semiconductor documentation from...
This circuit was obtained from a 1985 Electronic Desing. The circuit uses a Darlington which may be...