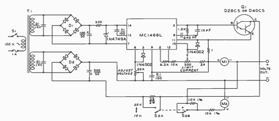
This current-limited variable power supply was found in 1977 book. The diodes are according to current which is on the order of 200 mA only.

This current-limited variable power supply was found in 1977 book. The diodes are according to current which is on the order of 200 mA only.
