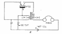
This oscillator was found in a Raytheon documentation from the 60's. The phone must be high impedance magnetic. The transistor is a germanium type.

This oscillator was found in a Raytheon documentation from the 60's. The phone must be high impedance magnetic. The transistor is a germanium type.
