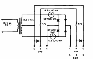
This circuit was found in an old American manual. It is intended for testing SCRs and thermistors using indicator lamps.
The circuit is from Motorola's Linear Databook from 1990, but the configuration is current because...
Found in a 90’s 73 magazine for radio amateurs, this circuit provides a few milliamps of output...
This is another one of the many versions of this circuit that we have in this section. We found it in...