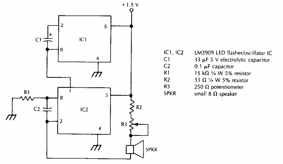
This circuit mimics the trill of a bird. We found it in an American documentation from the 90s. It is based on the LM3909 integrated circuits.
This simple photometer was found in a 1977 Radio Shack manual. The sensor is a photocell, which can...
The same basic audio oscillator as the CIR15855E can be modulated automatically by a relaxation...
Suggested by General Electric in a 1968 documentation this integrated amplifier uses a component of...