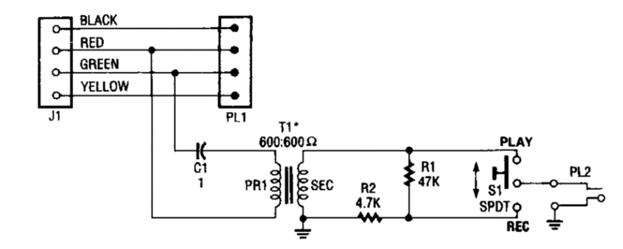
This circuit from a Popular Electronics shows how to take the audio signal from a telephone line for application to a regular telephone. The transformer is the critical component, being the type used in audio distribution lines.
This circuit from a Popular Electronics shows how to take the audio signal from a telephone line for application to a regular telephone. The transformer is the critical component, being the type used in audio distribution lines.