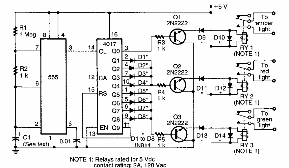
This sequential relay actuation system circuit for traffic lights was found in Electronics Now from the 1990s. Relays are sensitive types of low current coil.
Found in 1967 Raytheon documentation, this circuit uses a company coupler consisting of a lamp and...
In a modern version this circuit can use an LED in series with a resistor in place of the lamp. The...
This circuit, when triggered, locks, and remains so until the source is switched off for a moment or...