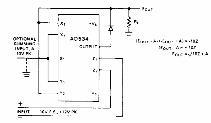
Found in Analog Devices documentation from the 1980s, this circuit provides an output voltage that is the square root of the input voltage.
This source, found in a 1991 publication, was originally designed to operate with the CB18736E, an alarm...
This circuit was obtained in a 1979 publication but can still be easily assembled today by...
We found this circuit in the Texas Instruments opto-electronics manual. The FET admits equivalent as...