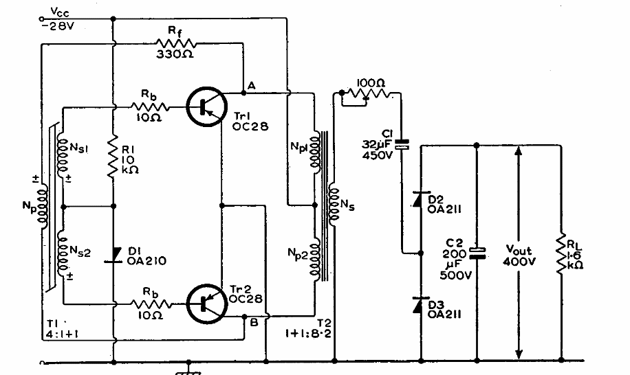
This voltage inverter circuit was found in a Mullard transistor manual from 1960. Information on the transformers was given. Transistors are germanium types.
We found this circuit in the National Semiconductor Audio Handbook of 1977. The circuit produces...
This stage was used in old audio ampliiers and radios from the 1950s and 1960s. It uses one of the...
If the battery is good, the LED flashes. This simple tester uses an LM3909 integrated circuit. We found...