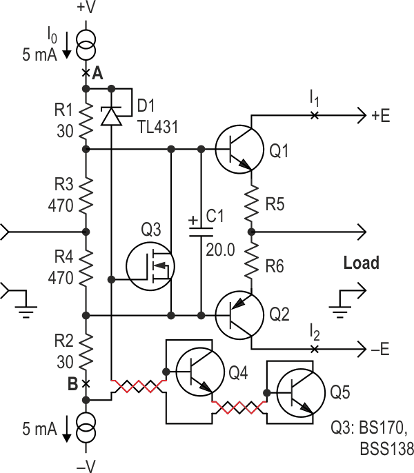
Based on the TL431, this class AB configuration circuit can be applied to power circuits of the most diverse values. The circuit is based on a Texas Instruments regulator.

Based on the TL431, this class AB configuration circuit can be applied to power circuits of the most diverse values. The circuit is based on a Texas Instruments regulator.
