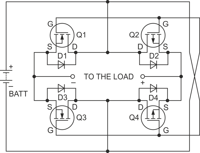
In the figure we have an interesting protection bridge against power polarity inversion of a circuit using power MOSFETs. MOSFETs must have currents according to the protected load.
We found this circuit in the National Semiconductor Audio Handbook of 1977. The circuit produces...
This stage was used in old audio ampliiers and radios from the 1950s and 1960s. It uses one of the...
If the battery is good, the LED flashes. This simple tester uses an LM3909 integrated circuit. We found...