This circuit was found in a Popular Electronics from the 90s. The circuit uses TTL technology and must be powered by a voltage of 5V.
This high-power flasher for incandescent signaling lamps was found in a 1980s General Electric...
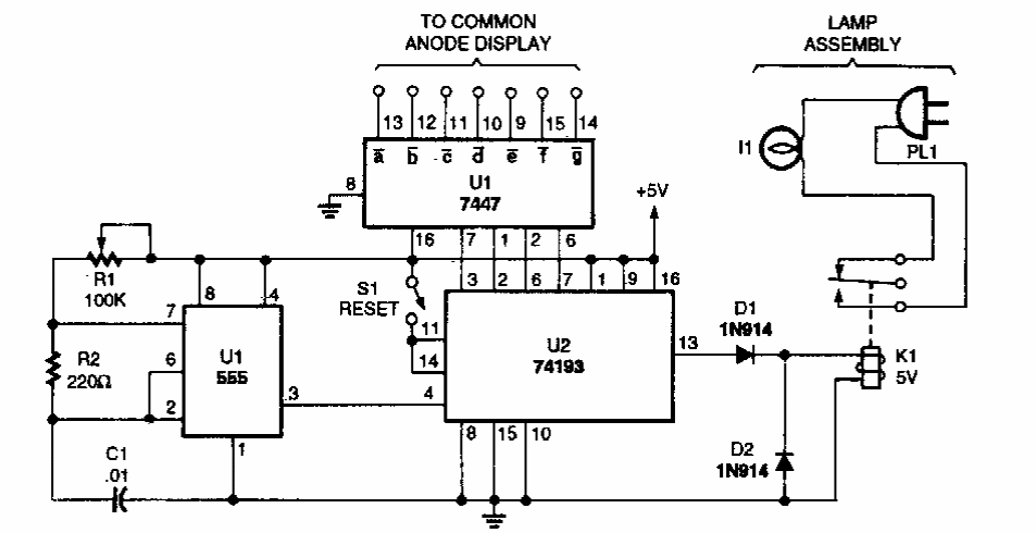
This circuit produces paced steps of an engine whose speed can be adjusted in the trimpot. The key on...
S1 changes the selection of the input signals in the circuit shown here. Other type of circuits,...