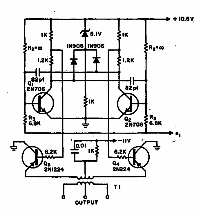
This circuit was obtained from an Electronic Design from 1964. Transistors admit modern equivalents and the range of frequencies generated can be changed.
This circuit, from a publication in the 1970s, uses transistors that no longer exist, but can be...
Indicated as a joke or challenge this circuit shows how it is possible to control two lamps using...
Found in a 1960s RCA documentation, this circuit applies to most common triacs. The trigger device is a...