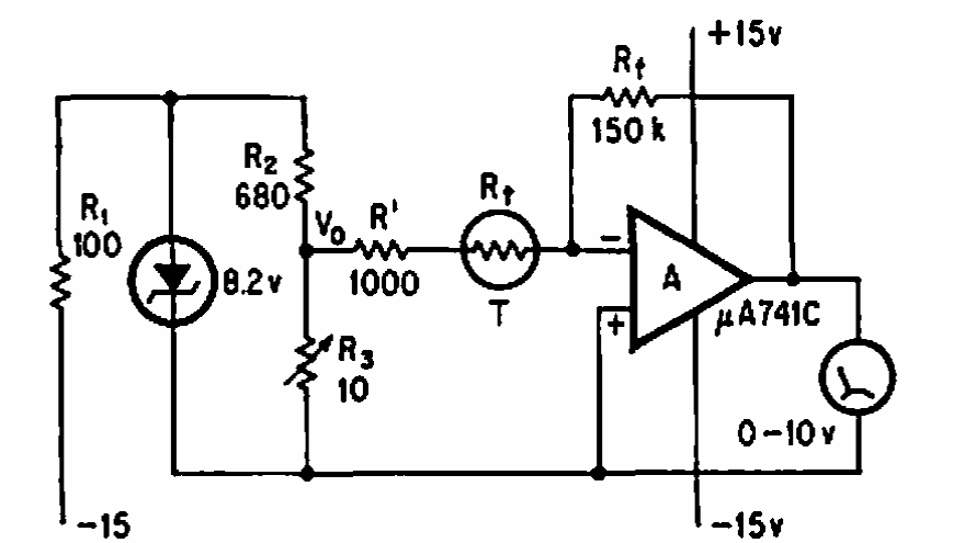
This temperature sensor circuit was found in an old American documentation. The components used are still current.
The circuit shown is from an old European publication. In it we have the way to activate a relay...
We found this circuit in a European publication from the 1990s. Transistors are still common types...
This circuit was found in an American documentation and can be added to common amplifiers of any...