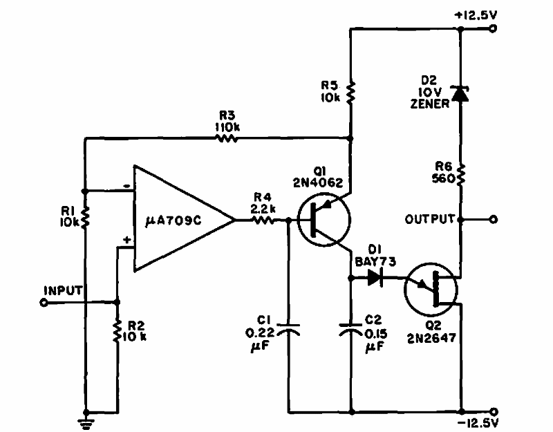
Found in a 1967 Electronic Design, this circuit operates in a range of 0 to 1 V input with frequencies determined by C2. The components are from the period.
The circuit shown is from an old European publication. In it we have the way to activate a relay...
We found this circuit in a European publication from the 1990s. Transistors are still common types...
This circuit was found in an American documentation and can be added to common amplifiers of any...