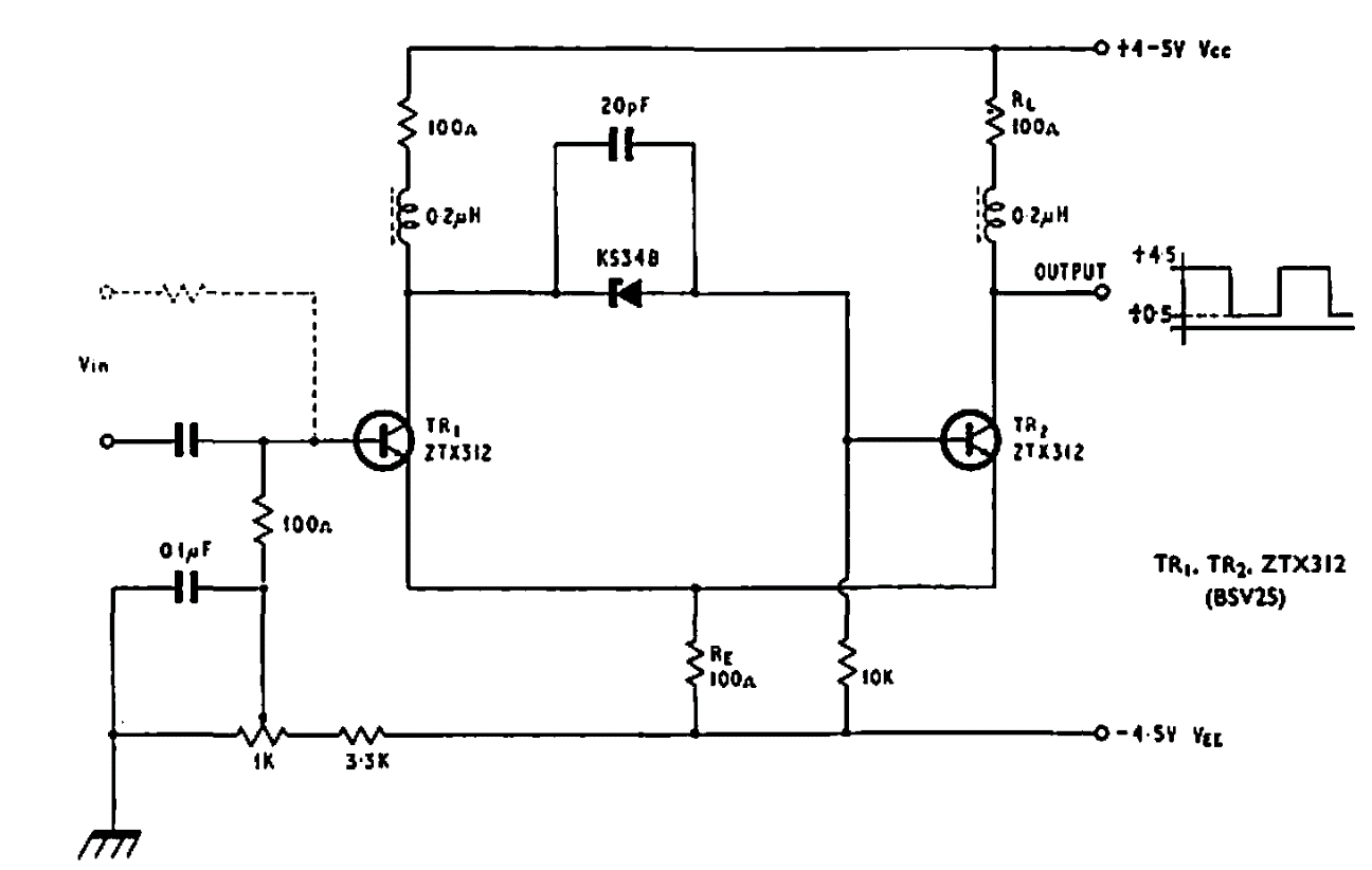
This Schmitt trigger was found in a 1969 Ferranti documentation. Transistors may be modern equivalents.
The circuit shown is from an old European publication. In it we have the way to activate a relay...
We found this circuit in a European publication from the 1990s. Transistors are still common types...
This circuit was found in an American documentation and can be added to common amplifiers of any...