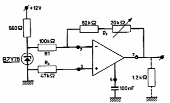
We found this circuit with 5.3V zener in a Philips publication from the 60s. The op amp could be a modern equivalent.
This circuit was obtained in a Hands-On Electronics from the 90's. The circuit turns on one LED at...
This circuit makes use of an integrated LM2907. The circuit is from an old documentation being...
This circuit simulates a unijunction transistor with two bipolar transistors. We found it in the...