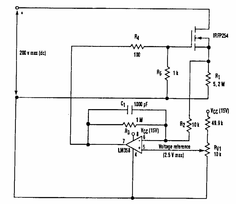
Found in an Electronic Design from the 90's, this circuit simulates a 100 W resistor. The power transistor must match the desired current in the load under test.
We find this circuit in a 1976 NASA handbook. The circuit can be designed based on current logical...
In the circuit shown in the figure when we press S1, capacitor C1 charges slowly, and with that it...
This circuit is from a 1968 Motorola power circuit manual. The circuit uses transistors of the...