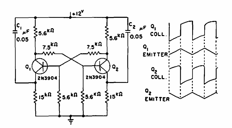
Found in a 1968 publication, this circuit generates signals with the waveforms shown next to the diagram. Modern equivalent transistors can be used.
This lockable two-position servo control system was found in documentation from the 1990s. The...
The integrated circuit used in this project is not common today, as it was obtained in the Linear...
The outputs of this timer or CMOS timer configuration with the 4011 integrated can be connected to load...