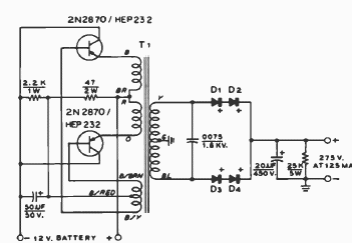
Found in a 1977 amateur radio publication, this circuit uses contemporary power transistors. No information about the transformer.

Found in a 1977 amateur radio publication, this circuit uses contemporary power transistors. No information about the transformer.
