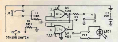
This circuit is from a Popular Electronics from 1992. The circuit powers an LED when triggered.
This configuration (using a logic gate with TTL compatible output) uses an amplifier transistor to obtain...
Placed near a common receiver, this oscillator is intended to generate a beating signal to receive...
Published in the September 1973 issue of Radio Electronics magazine, this diagram may be useful to...