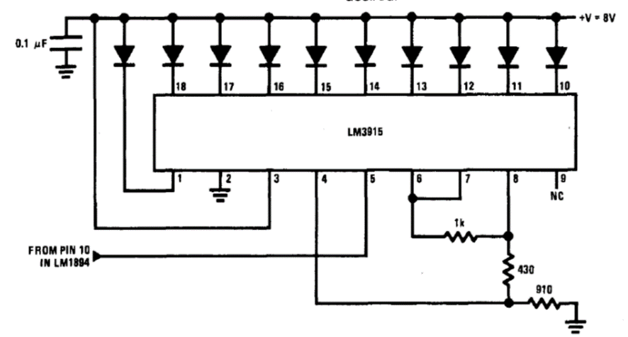
This circuit was obtained from National Semiconductor's Linear Applications Handbook from 1994. The LM3915 is a bargraph with 10 outputs where the dynamic range is determined by the resistors on pins 6, 7 and 8. This range can be changed depending on the application.




