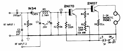
This circuit was found in American documentation from the 60's. The transistors are made of germanium and the output is a high-impedance magnetic phone.

This circuit was found in American documentation from the 60's. The transistors are made of germanium and the output is a high-impedance magnetic phone.
