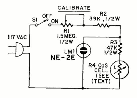
This timer circuit whose blinking time is determined by ambient light was found in the February 1970 issue of Radio Electronics magazine. The circuit is powered by the power grid.

This timer circuit whose blinking time is determined by ambient light was found in the February 1970 issue of Radio Electronics magazine. The circuit is powered by the power grid.
