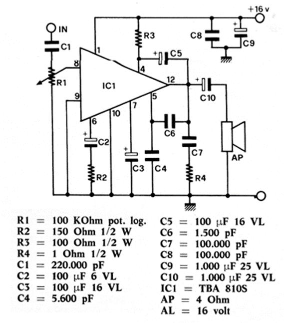
This circuit was found in the Italian magazine Radio Elettronica from September 1977. It consists of a good 7 W audio amplifier with the TBA810S integrated circuit that has fins to be soldered on copper areas of the board that will function as heatsinks. The power source must be 16 V x 1A.




