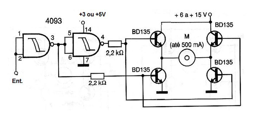
This circuit has only two possible states 1 or 0 at the input, with the motor rotating in one direction or the other. To stop or place an additional command must be used, for example, with a relay or transistor in series with the power supply. The integrated circuit must be supplied with the same voltage as the output used in the microcontroller. Transistors must be equipped with heat sinks. Equivalent higher current transistors such as TIP31 can be used.




