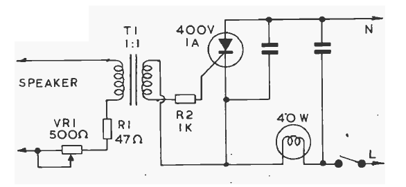
This simple rhythmic light for incandescent lamps can be found in old English documentation. The capacitors can be 100 nF polyester. The SCR can be the TIC106.

This simple rhythmic light for incandescent lamps can be found in old English documentation. The capacitors can be 100 nF polyester. The SCR can be the TIC106.
