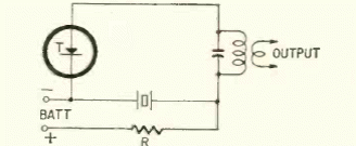
Shown in Radio Electronics June 1953, this circuit needs a small adjustable source of 0 to 3 V and the resistor R between 22 and 47 ohms must be obtained experimentally.

Shown in Radio Electronics June 1953, this circuit needs a small adjustable source of 0 to 3 V and the resistor R between 22 and 47 ohms must be obtained experimentally.
