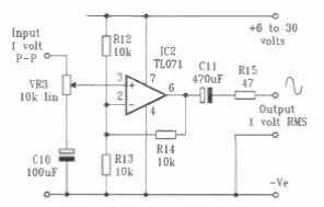
We found this circuit in a publication from the 90's. The circuit is used with sinusoidal oscillators (Wien bridge) to amplify the signals. Equivalent operationals can be used.

We found this circuit in a publication from the 90's. The circuit is used with sinusoidal oscillators (Wien bridge) to amplify the signals. Equivalent operationals can be used.
