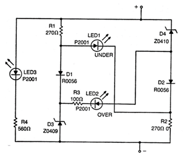
This circuit is from old technical documentation, used to monitor the voltage of a 12 V battery. The circuit uses 6.8 V (D3) and 7.5 V (D4) zeners. The remaining diodes are common, and the LEDs are of different colors. The circuit indicates that a battery with more than 3.6 V is charged. The circuit can be modified to monitor other voltage ranges.




