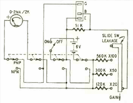
This commercial transistor test circuit uses a 6V battery and 2mA analog indicator. The circuit is in Radio Electronics magazine from March 1958.

This commercial transistor test circuit uses a 6V battery and 2mA analog indicator. The circuit is in Radio Electronics magazine from March 1958.
