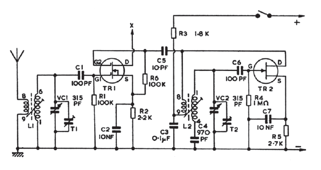
We found this circuit in an old English documentation. Transistors support modern equivalents. The circuit converts signals in the 5 to 15 MHz band for tuning into a common medium wave radio.
We found this circuit in an old English documentation. Transistors support modern equivalents. The circuit...
This circuit was found in a 1968 documentation. The circuit generates three rectangular signals...
This 1995 documentation circuit detects when an extension on a phone line is active. Adjustment of the...