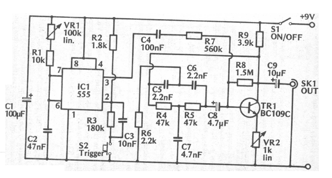
This interesting circuit was found in an English documentation. It generates sound similar to applause. The circuit can be elaborated with BC548 transistor, and its signal must be applied to an external amplifier.
This interesting circuit was found in an English documentation. It generates sound similar to applause. The circuit can be elaborated with BC548 transistor, and its signal must be applied to an external amplifier.