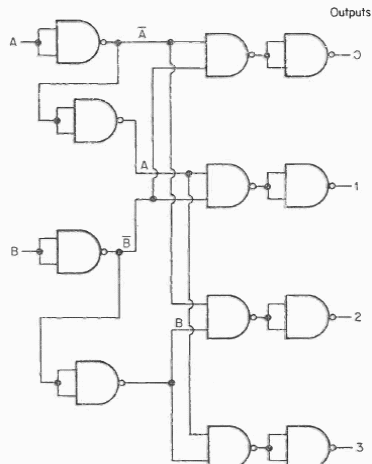
This circuit decodes a two-bit value into four outputs (one of four). The circuit must be powered by a voltage of 5 V.
This circuit can be used as a shield for transmitting the temperature of a sensor. The circuit is from...
This simple circuit can make use of any general-purpose transistor. The power comes from the...
The circuit shown in the figure is suggested by Maxim (www.maxim-ic.com) and makes use of the...