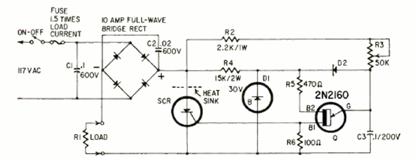
This power control with SCR was found in Radio Electronics from April 1966. The components are from the time, but the circuit can be implemented with modern equivalents. The diodes must have current according to the load.
This power control with SCR was found in Radio Electronics from April 1966. The components are from the time, but the circuit can be implemented with modern equivalents. The diodes must have current according to the load.