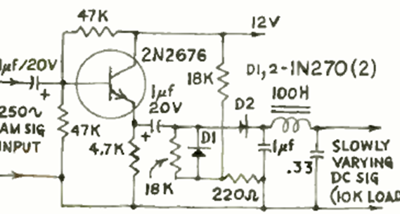
The purpose of this circuit is to detect audio that amplitude modulates an RF carrier. The circuit is for low frequency carriers. We found it in a Radio Electronics from May 1967.

The purpose of this circuit is to detect audio that amplitude modulates an RF carrier. The circuit is for low frequency carriers. We found it in a Radio Electronics from May 1967.
