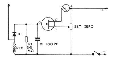
This aperiodic circuit was found in an old English documentation. The transistor can be any JFET and the instrument 100 uA full scale.

This aperiodic circuit was found in an old English documentation. The transistor can be any JFET and the instrument 100 uA full scale.
