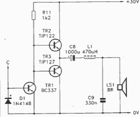
This circuit is an alternative to using Darlington power transistors in the previous amplifier. The power is a few watts.
The operational ones used in this circuit are not common today, but the circuit can be implemented with...
We found this circuit in the Radio Electronics magazine of June 1978. This circuit through the...
We found this circuit in Motorola's Linear Databook in 1990. The circuit has high input impedance, and...